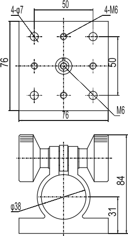
1.齿轮夹持器 夹持器 型号:HG-PHCR-1A
齿轮夹持器与HG-PHSR38-1(2)A齿条支撑棒配合使用,齿轮齿条副配合,调整舒适,度。其安装面上的标准孔距安装孔,可以固定其它调整架或物品。其中心可拆取螺纹套,方便换操作或与HG-PHCR-3五面夹持器配合,行倾斜调整。配有锁紧手轮,可将夹持器稳固锁定在不同度。自重:0.5kg
|

齿轮夹持器使用说明
调整时将夹持器锁紧手轮松开,转动调整手轮,到预期度后再将夹持器锁紧手轮锁紧。
齿轮夹持器关联产品
● HG-PHSR38-1(2)A齿条支撑棒
● HG-PHCR-3五面夹持器
|

|
北京恒奥德仪器仪表有限公司
联系方式:/57696
:/
: 凡经理
地址 : 北京市海淀区阜城路42号院中裕商务花园6C-211
:
邮箱 :hadgs2009@163.com
网址 :http://www.51658042.com。 http://www.had200911.cn
: http://had200911.b2b.hc360.com。54pc.com/netshow/20100104193745/
QQ : 1968156761 1169121880 236261341
2.率计/灯率计/灯具率计/AC/DC率计 型号;H24676
能:测试率,率因数,电压,电流,年耗电量(10小时/天计算)色温,照度等可以同时测试4个灯,同时测试2个AC,2个DC的灯具。
重量: 4kg.
zui大测试瓦数: AC: 300W. DC: 60W
输入电压: 100-250V AC/12V DC
测试灯具:节能灯,LED灯,卤素灯,灯管,等
3.率计/灯泡率计/灯具率计 型号:H24675
能:测试率,率因数,电压,电流,年耗电量(10小时/天计算)色温,照度等。可以同时测试2个灯,边电压是250V,边是12V。
重量: 2kg.
zui大测试瓦数: AC: 300W. DC: 60W
输入电压: 100-250V AC/12V DC
测试灯具:节能灯,LED灯,卤素灯,灯管,等
温馨提示:以上产品的资料和图片都是按照顺序相对应的
|